
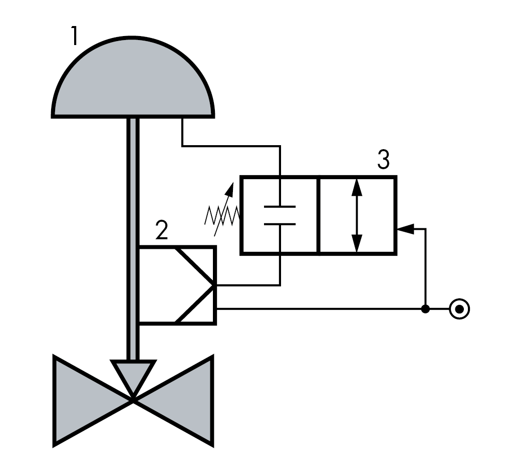
Lock-up valves are used to shut off the signal pressure line of pneumatic actuators. They shut off the line either when the air supply falls below an adjusted limit or in case of complete air supply failure. This causes the actuator to fail in place.
The SAMSON Type 3709 Pneumatic Lock-up Valve is available in various versions for different types of attachment and flow coefficients. All versions have an easily accessible adjustment screw for fine tuning the switching point.
All versions are available either in stainless steel or aluminum.
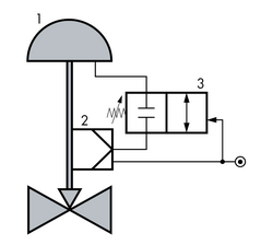
The required function determines in which sequence the devices are mounted on the valve assembly. The lock-up valve is mounted between the actuator and solenoid valve in the example shown. In this case, the lock-up function has priority over the fail-safe action triggered by the solenoid valve.
Recommended models:
Types 3709-7 and 3709-8 for compact sandwich-style attachment in combination with rotary actuators. The lock-up valve is mounted between the solenoid valve and actuator without the need for any piping.
1 Actuator – 2 Positioner – 3 Lock-up valve – 4 Solenoid valve
Together with valve accessories, pneumatic control valves serve as engineered solutions for special applications. SAMSON has been developing and manufacturing high-quality valves, actuators and valve accessories for over 100 years. Thanks to our experience and expertise as well as customer requirements, we have continuously developed the individual components and optimized their interaction.
Click here for information on other valve accessories and hook-ups: